magna kuli是一款汽车热管理系统优化软件,由Magna麦格纳国际公司推出。该软件凭借 25 年在内燃机动力系统车辆热管理方面坚实的基础,能为所有相关电动汽车主题提供最佳支持。除此之外,KULI围绕电池包热模拟环境而建立,为易用性和灵活性奠定了基准。也可提供电动机和电力电子模拟模型,一整套的空调和供热系统模拟功能,实现了可以真正称得上市场上最先进、最舒适的电动汽车热模拟工具。
与之前版本相比较,全新的magna kuli带来许多新功能,例如:重新设计KULI计算内核的架构,确保完整一致的64位支持以及更好的内存处理和系统稳定性。支持动态求解器的扩展,特别是并联流冷却器和油路,可以通过致动器等设置管和电路的初始温度。并且现在还提供完善的设置系统组件和控制策略,灵活的模块结构方便用户进行精准的功能选择,对各种假设的环境和情况进行详细分析,并能够将分析结果导出保存。magna kuli能够进行标准的模拟,从而找出最佳方案,剔除有问题的方案,这样做既减少了时间、金钱、人力成本,也提高了效率,保障了最终的质量,让你的产品始终占据市场有利地位。欢迎有需要的朋友下载使用!
magna kuli通用安装教程示例
1、在本站下载压缩文件解压点击KULI-Setup_150000.exe文件进行安装

2、勾选同意协议点击下一步;

3、选选择语言和后点击安装;

4、等待安装完成,需要一两分钟;

5、安装完成后退出安装向导;

6、将Crack文件夹下的文件移动替换到软件目录;
默认路径:C:\Program Files\ECS

7、打开软件将点击Add License File进行添加magnaecs_SSQ.dat许可文件;

8、至此安装成功;
软件特色
1、发动机动力升级
2、进气面积减少(造型变化)
3、更多组件/助剂
4、新的动力总成技术
5、立法标准
6、暖通空调舒适性和性能
magna kuli使用教程
1、初始冷却系统布局
设计良好的冷却系统是车辆开发过程中非常重要的一个环节。必要的工作从很早就开始,并且持续至整个开发过程。KULI 可以辅助所有这些阶段中所需的模拟工作。

2、耦合 1D-3D 模拟
在冷却系统开发的后期阶段,可以获得更多的信息。发动机舱区域的 CFD 模型通常可提供流场的详细信息。这些 CFD 模型已经包括来自初始冷却系统设计的冷却模块信息。

3、冷却系统优化
在冷却系统开发的后期阶段,冷却系统的流体侧也将被更详细地建模,从而以较高精度模拟各种部件(热源和水槽、热交换器)之间的热分布。借助 KULI 信号路径,可以很容易地纳入一个控制策略,使节温器、水泵、阀、风扇得到优化,从而确保以最低的能量需求实现充分冷却。这对于混合动力汽车和电动汽车以及一般的瞬态模拟来说尤其重要。

4、轨道交通冷却系统
通过KULI,您可以为柴油动力或电力动力铁路应用的冷却系统建模。在该特定应用中,有一个带三个冷却器的顶置冷却系统。一个用于冷却电气和电子部件的低温回路,一个用于发动机冷却的高温散热器,还有一个中间冷却器。

5、乘员舱降温
为了识别乘客乘员舱不同区域的温度,会显示设置 KULI 系统的工作流程。
在瞬态模拟中,可以得到HVAC 系统对夏季降温模拟或冬季采暖模拟的影响。

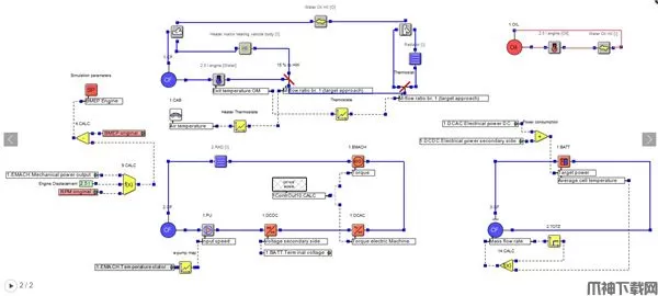
6、电动车行驶里程预测
KULI 可实现采用 KULI 电池模型、KULI 电机模型和 KULI 电力电子模型(DC/DC 或 DC/AC)为电动汽车冷却系统轻松生成模拟模型。除了一般的热管理(例如:冷却模块设计和布局)和能源管理(例如:电力传动的热损失研究)之外,车辆行驶里程的预测也是一个主要的应用途径。
功能介绍
1、KULI 基础
如果要开始一个项目,首先必须确定关键的工况。
通常可将冷却系统设置为稳态工况。在 KULI 基础的帮助下,可以处理以下典型工作:
计算每个内置组件和整个系统的性能(结果为温度、压力损失、体积流量、排热……)
为不同的介质设计发动机冷却组件,如:
冷却液
不同类型的油
增压空气
废气
评估组件之间的相互影响
通过这些结果,可以继续对系统进行优化。通过使用其他 KULI 模块,可以处理更详细的工作,或者您也可以使用一些自动优化程序。
2、KULI advanced
为了更舒适的工作,避免“手动”重复操作,KULI advanced 模块内置了一些功能,如
参数变化(假设情况分析)
通过定义优化目标和优化参数进行自动优化
KULI 是一种 1D 工具,提供了可整合 3D-CFD 计算结果的接口
将不均匀的气流分布考虑在内
耦合 CFD 代码(协同模拟)
至少用户有与其他软件耦合的可能,例如,已经使用外部程序对风扇或其他电气组件的控制单元进行了编程的情况。
与外部程序的接口,例如
通过 COM 技术
直接访问
到 Matlab/Simulink
3、KULI hvac
由于乘客舒适性越来越重要,KULI hvac 是您空调系统尺寸设计的正确解决方案。
KULI hvac 模块可以作为独立的程序使用,也可以作为 KULI 基础的辅件使用。
KULI hvac 能够
根据制冷剂充注量、COP (coefficient of performance) 和控制策略设计和优化制冷剂回路
使用不同的制冷剂进行模拟,如 R134a、CO2、R152a 或 R1234yf
使用多区域乘员舱模型分析乘客舒适度
确定乘客乘员舱的各种快速采暖或降温措施
当 KULI hvac 与 KULI 基础一起使用时,可以观察到制冷剂回路中的部件与发动机冷却回路中的部件的相互影响。在考虑诸如电动汽车的电池冷却系统的最新发展时,这是一个重要的方面。
4、KULI 驱动
校准稳态模拟模型后,可以完成项目的下一步。
您可以定义客户特定的行驶循环,或使用标准化的行驶工况并执行瞬态模拟(采暖或降温)。
KULI 驱动支持以下功能:
瞬态计算(通过定义不同时间步的工况)
考虑各组件的采暖或降温
4-/5-质量块发动机模型,用于考虑不同温度下的摩擦损失
用热网络来模拟复杂的热相关性
定义工况上的热特性(速度与时间),例如 NEDC、FTP75
设计最优的控制策略,以尽量减少摩擦损失以及能量消耗
5、KULI eco
当今的挑战是降低燃料消耗。
人们采用了多种方式来实现这一目标。使用 KULI eco,您可以选择
废热回收(WHR)系统,例如:Rankine循环、TEG
添加电气元件,如:
电机
电池(多个系统级别,如:单元、模块、电池)
逆变器、转换器
所有这些功能都适用于混动系统(HEV)或真正的电动车(EV)。模拟电池冷却有时可能需要与 KULI hvac 耦合。
6、KULI 组件
采用KULI components模块,您可以得到指定零部件的性能表现一览。
如果用户只想要考虑一些特定的组件,而不考虑其相互影响,那么他可以获得
不同组件的性能比较
扩大测量数据范围(外推法)
测量数据的回归
对采用不同介质的性能进行比较
如果用户有一些可用的测量数据,并想用它们创建 KULI 文件。KULI 组件可提供一个有效的接口自动执行此操作。
KULI compInterface 提供以下接口
C ++
VBA 脚本
做好的 Microsoft Office Excel 输入数据表
支持 COM 技术的任何其他软件